• Uitgebreid RVS assortiment
  • +20 jaar ervaring in de branche
  • Eigen productie
  • Deskundig advies

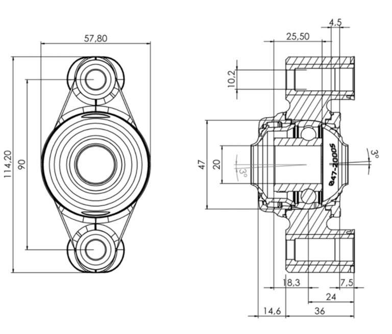
Lagerblok NGI hygienic UCFL 204 open

Artikelnummer: 06-8-UCFL204O

56,27 Excl. BTW

68,09 incl BTW, excl. verzendkosten (wordt bij afrekenen berekend)

Niet op voorraad

  • Uitgebreid RVS assortiment

  • +20 jaar ervaring in de branche

  • Eigen productie

  • Deskundig advies

Artikel omschrijving

Het 2-gaats flenslagerhuis is de optimale keuze voor machines en apparatuur die moeten voldoen aan strenge hygiëne-eisen. De blauwe kunstof bedekt het lagerhuis waardoor het erg gemakkelijk schoon te houden is vanuit alle hoeken. Er zal daarbij ook minder vuil in de RVS lager komen.

Het lagerhuis wordt parallel aan de asrichting gemonteerd. Bij dit open model zit het kunststof strak om de as heen. Hierbij kan er geen vuil naar binnen.

De hygiënische Lagerhuis voldoet aan de eisen van EC 1935/2004, EC 10/2011, EC 2023/2006 en FDA.

Technische omschrijving

Asdiameter: 20 mm
Lagertype: SSB
Hoogte voordeksel: 14,6 mm
Hoogte achterdeksel: 4,5 mm
Voor meer specificaties zie aanzicht.